工程用塑料和粉末冶金零件设计要素
塑料分类、特点及应用
塑料分类
特点
应用
按其热性能分
热塑性
遇热软化或熔融,冷却后又变硬,这一过程可以反复多次。
典型产品有聚氯乙烯、聚丙烯、聚乙烯、聚苯乙烯、聚甲基丙烯酸甲(有机玻璃)、ABS、聚酰胺、聚甲醛、聚碳酸酯、氯化聚醚、聚砜、氟塑料等。
热固性
在一定温度下,经过一定时间的加热或加入固化剂即可固化,质地坚硬,既不溶于溶剂,也不能用加热的方法使之再软化。
典型产品有酚醛塑料、环氧树脂、不饱和聚酯树脂、氨基塑料和呋喃树脂等。
按功能分
通用性塑料
原料来源丰富,产量大,应用面广,价格便宜,成型加工容易。
PVC、PE、PP、PS等。
工程塑料
力学性能、耐高低温性能、电性能等的综合性能好,可以代替金属作某些工程结构材料。
聚酰胺、ABS、聚碳酸酯、聚甲醛、热塑性聚酯等。
功能性塑料
具有某种特殊的物理功能,如耐高温、耐烧蚀、耐辐射、导电、导磁、耐腐蚀、自润滑等。
聚酰亚胺、聚芳砜、聚苯硫醚、聚苯醚、聚四氟乙烯等。
塑料主要成形方法、strong>特点及应用
成形方法
特点
应用
模压成形
将塑料粉及增强、耐磨、耐热等填加材料置于金属模中,用加压加热方法制得一定形状的塑料制品
一般用于热固性塑料的成形,也适于热塑性塑料的成形
注塑成形
将颗粒状或粉状塑料置于注射机料筒内加热,使其软化后用推杆或旋转螺杆施加压力,使料筒内的物料自料筒末端的喷嘴注射到所需形状的模具中,然后冷却脱模,即得所需的制品。该法适宜于加工形状复杂及大批量的制件,成本低,速度快
用于聚乙烯、ABS、SAS、聚酰胺、聚丙烯、聚苯乙烯、硬聚氯乙烯、聚碳酸酯、聚甲醛、氯化聚醚等热塑性塑料的成形。可制作形状复杂的零件。近来酚醛树脂等热固性树脂也可采用注塑成形
挤出成形
将颗粒状或粉状塑料由加料漏斗连续地加入带有加热装置的料筒中,受热软化后,用旋转的螺杆连续从模口挤出(模口的形状即为所需制品的断面形状,其长度视需要而定),冷却定型后即为所需制品
用于硬聚氯乙烯、聚丙烯、聚苯乙烯、ABS、AS、聚酰胺、聚甲醛、聚碳酸酯等加工成连续的管、棒、片或特种断面的制品
浇注成形
将加有填料或未加填料的流动状态树脂倒入具有一定形状的模具中,在常压或低压下置于一定温度的烘箱中烘焙使其固化,即得所需形状的制品
用于酚醛、环氧等热固性塑料的成形,也适用于MC尼龙、聚酰胺等热塑性塑料的成形。可制作大型复杂的零件
吹塑成形
先将已制成的片材、管材塑料加热软化或直接把挤压、注射成形出来的熔融状态的管状物,置于模具内,吹入压缩空气,使塑料处在高于弹性变形温度而又低于其流动温度下吹成所需的空心制品
用于聚乙烯、软聚氯乙烯、聚丙烯、聚苯乙烯等热塑性塑料的成形。可制作瓶子和薄壁空心制品及其他特定形状的空心制品
真空成形
将已制成的塑料片加热到软化温度,借真空的作用使之紧贴在模具上,经过一定时间的冷却使其保持模具的形状,即得所需制品
用于聚碳酸酯、聚砜、聚氯乙烯、聚苯乙烯、ABS等热塑性塑料的成形。可制作薄壁的杯、盘、罩、盖、壳、盒等敞口制品
工程常用塑料的选用
1) 根据零件使用特点和要求,以及拟选用的塑料本身的化学、物理、力学等性能,以及成型方法等进行综合分析后合理选用。下表为不同用途的零件所选用的材料。
不同用途的零件所选用的材料
用途
要求
应用举例
材料
一般结构零件
强度和耐热性无特殊要求,一般用来代替钢材或其他材料,但由于批量大,要求有较高的生产率,成本低,有时对外观有一定要求
汽车调节器盖及喇叭后罩壳、电动机罩壳、各种仪表罩壳、盖板、手轮、手柄、油管、管接头、紧固件等
低压聚乙烯、聚氯乙烯、改性聚苯乙烯(203A、204)、ABS、高冲击聚苯乙烯、聚丙烯等。这些材料只承受较低的载荷,当受力小时,大约在60~80℃范围内使用
同上,并要求有一定的强度
罩壳、支架、盖板、紧固件等
聚甲醛、聚碳酸酯、聚酰胺、ABS、高冲击聚苯乙烯、玻璃增强聚丙烯、尼龙1010
透明结构零件
除上述要求外,必须具有良好的透明度
透明罩壳、汽车用各类灯罩、油标、油杯、视镜、光学镜片、信号灯、防爆灯、防护玻璃以及透明管道等
改性有机玻璃(372、613)、有机玻璃、AS树脂、改性聚苯乙烯(204、203A)、聚苯乙烯、聚碳酸酯、热塑性聚酯
耐磨受力传动零件
要求有较高的强度、刚性、韧性、耐磨性、耐疲劳性,并有较高的热变形温度、尺寸稳定
轴承、齿轮、蜗轮、凸轮、辊子、联轴器等
尼龙、MC尼龙、聚甲醛、聚碳酸酯、聚酚氧、氯化聚醚、增强聚丙烯、聚苯硫醚等。这类塑料的拉伸强度都在60MPa以上,使用温度可达80~120℃
减磨自润滑零件
对机械强度要求往往不高,但运动速度较高,故要求具有低的摩擦因数,优异的耐磨性和自润滑性
活塞环、机械动密封圈、填料、轴承等
聚四氟乙烯、填充的聚四氟乙烯、聚四氟乙烯填充的聚甲醛、聚全氟乙丙烯(F-46)、含油聚甲醛、超高分子量聚乙烯等;在小载荷、低速时可采用低压聚乙烯
耐高温结构零件
除耐磨受力传动零件和减磨自润滑零件要求外,还必须具有较高的热变形温度及高温抗蠕变性
高温工作的结构传动零件,如汽车分速器盖、轴承、齿轮、活塞环、密封圈、阀门、阀杆、螺母等
聚砜、聚苯醚砜、氟塑料(F-4、F-46)、聚酰亚胺、聚苯硫醚、聚四氟乙烯、石墨填充的聚苯醚砜和聚芳砜、以及各种玻璃纤维增强塑料等。这些材料都可在150℃以上使用
耐腐蚀设备与零件
对酸碱和有机溶剂等化学药品具有良好的抗腐蚀能力,还具有一定的机械强度
化工容器、管道、阀门、泵、风机、叶轮、搅拌器以及它们的涂层或衬里等
聚四氟乙烯、聚全氟乙丙烯(F-46)、聚三氟氯乙烯(F-3)、氯化聚醚、ABS、聚氟乙烯、聚碳酸酯、低压聚乙烯、聚丙烯、聚苯乙烯、聚苯硫醚、酚酞塑料等
2) 由于塑料的导热性很差,故选用时必须注意设计最有利的散热条件,如采取以金属为基体的再复合塑料,必须在塑料中加入导热性能良好的填充剂或采取利于散热的金属结构设计等。
3) 和金属材料一样,当作为轴承材料时,每种塑料均有其最高的使用速度(υ)及载荷(p),即pυα=常数。不同塑料的α值不相同,如尼龙α=1.47,聚甲醛α=1.2。在设计使用时,必须注意根据所采用的材料来决定其载荷、速度范围。同时还必须注意,各种塑料均有其压力和速度极限,如超过此极限,不论在任何固定的速度或载荷条件下,即使其pυ乘积不超过允许的pυ值,也不能使用。材料篇列有几种适宜作为轴承的塑料及其有关性能。
4) 由于塑料受热易膨胀变形,故在设计轴承等零件时,必须考虑有足够的配合间隙,一般约为0.005d(d为轴承直径),但不同的塑料其配合间隙也不尽相同。常用几种塑料的配合间隙见表几种塑料轴承的配合间隙和表聚甲醛轴承的配合间隙。
几种塑料的起模斜度(推荐值)
塑料名称
脱模斜度
聚乙烯、聚丙烯、软聚氯乙烯
30~1°
ABS、聚酰胺、聚甲醛、氟化聚醚、聚苯醚
40~1°30
硬聚氯乙烯、聚碳酸脂、聚砜
50~2°
聚苯乙烯、有机玻璃
50~2°
热固性塑料
20~1°
工程塑料零件不同表面的起模斜度(推荐值)
表面部位
连接零件与薄壁零件
其他零件
外表面
15
30~1°
内表面
30
1°~2°
孔(深度<1.5d)
15
30′~1°
加强筋凸缘等
2°、3°、5°、10°
热固性塑料零件的壁厚(推荐值) mm
塑料名称
零件高度尺寸
<50
50~100
>100
粉状填料的酚醛塑料
0.7~2.0
2.0~3.0
5.0~6.5
纤维状填料的酚醛塑粉
0.5~2.0
2.5~3.5
6.0~8.0
氨基塑料
1.0
1.3~2.0
3.0~4.0
聚酯玻璃纤维塑料
1.0~2.0
2.4~3.2
>4.8
聚酯无机物填料的塑料
1.0~2.0
3.2~4.8
>4.8
热塑性塑料零件的壁厚(推荐值) mm
塑料名称
最小壁厚
小型零件
中型零件
大型零件
聚酰胺
0.45
0.76
1.5
2.4~3.2
聚乙烯
0.60
1.25
1.6
2.4~3.2
聚苯乙烯
0.75
1.25
1.6
3.2~5.4
有机玻璃(372)
0.08
1.50
2.5
4.0~6.5
硬聚氯乙烯
1.20
1.60
1.8
3.2~5.8
聚丙烯
0.85
1.45
1.75
2.4~3.2
聚碳酸脂
0.95
1.80
2.3
3.0~4.5
聚甲醛
0.80
1.40
1.6
3.2~5.4
氯化聚醚
0.90
1.35
1.8
2.5~3.4
聚苯醚
1.20
1.75
2.5
3.5~6.4
聚砜
0.95
1.80
2.3
3.0~4.5
注:最小壁厚值可随成型条件而变。
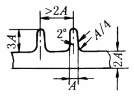
工程塑料零件加强筋

底部宽度
高度
两筋之间中心距
A
≤3A
≥2A
塑料零件壁宽与最佳厚度的关系 mm
塑料名称
壁宽
<20
20~50
50~80
80~150
150~250
聚酰胺模塑粉
0.8
1.0
1.3~1.5
3.0~3.5
4.0~6.0
纤维增强塑料
1.5
2.5~3.5
4.0~6.0
6.0~8.0
耐高温塑料
0.5
0.5~1.0
1.0~1.5
1.5~2.0
2.0~3.0
酚醛塑料压塑粉
1.0~1.5
2.0~2.5
5.0~6.0
工程塑料零件孔的尺寸关系(最小值) mm

当b2≥0.3mm时,采用h2≤3b2
孔径d
孔深与孔径比h/d
边 距 尺 寸
盲孔的最小
厚度h1
零件边孔
零件中孔
b1
b2
≤2
2.0
3.0
0.5
1.0
1.0
>2~3
2.3
3.5
0.8
1.25
1.0
>3~4
2.5
3.8
0.8
1.5
1.2
>4~6
3.0
4.8
1.0
2.0
1.5
>6~8
3.4
5.0
1.2
2.3
2.0
>8~10
3.8
5.5
1.5
2.8
2.5
>10~14
4.6
6.5
2.2
3.8
3.0
>14~18
5.0
7.0
2.5
4.0
3.0
>18~30
—
—
4.0
4.0
4.0
>30
—
—
5.0
5.0
5.0
工程塑料零件开孔最小直径(当孔深h≤2d时)mm
材料
dmin
聚酰胺
0.5
其他热塑性塑料
0.8
玻璃纤维增强塑料
1.0
塑压料
1.5
纤维塑料
2.5
酚醛塑料
4.0
工程塑料零件螺孔的尺寸关系(最小值) mm

螺纹直径
d
边距尺寸
盲螺纹孔最小底厚
b1
b2
h1
≤3
1.3
2.0
2.0
>3~6
2.0
2.5
3.0
>6~10
2.5
3.0
3.8
>10
3.8
4.3
5.0
工程塑料零件螺纹退刀尺寸 mm

螺纹直径
d0
螺距S
<0.5
>0.5~1
>1
退刀尺寸l
≤10
1
2
3
>10~20
2
2
4
>20~34
2
4
6
>34~52
3
6
8
>52
3
8
10
工程塑料零件滚花尺寸(推荐值) mm

零件直径
D
滚花的距离

齿距t
半径R
≤18
1.2~1.5
0.2~0.3
1
>18~50
1.5~2.5
0.3~0.5
1.2
>50~80
2.5~3.5
0.5~0.7
1.5
>80~120
3.5~4.5
0.7~1
1.5
工程塑料零件条纹设计推荐尺寸 mm
细条纹
粗条纹


零件直径D
≤18
>18~50
>50~80
>80~120
≤18
>18~50
>50~80
>80~120
齿距t
1.2~1.5
1.5~2.5
2.5~3.5
3.5~4.5
4R
半径R
0.2~0.3
0.3~0.5
0.5~0.7
0.7~1.0
0.3~1.0
0.5~4.0
1.0~5.0
2.0~6.0
齿高h
≈0.86t
0.8R
塑料零件尺寸公差推荐值 mm
塑料零件的尺寸精度受各方面因素的影响。主要因素是塑料的收缩率、成型条件、几何形状、模具的制造精度等。
公称尺寸范围
热固性塑料零件及
热塑性塑料中收缩范围小的零件
热塑性塑料中收缩范围大的零件
精 密 级
中级
自由尺寸级
精 密 级
中级
自由尺寸级
≤6
0.06
0.10
0.20
0.08
0.14
0.24
>6~10
0.08
0.16
0.30
0.12
0.20
0.34
>10~18
0.10
0.20
0.40
0.16
0.26
0.44
>18~30
0.16
0.30
0.50
0.24
0.38
0.60
>30~50
0.24
0.40
0.70
0.36
0.56
0.80
>50~80
0.36
0.60
0.90
0.52
0.70
1.20
>80~120
0.50
0.80
1.20
0.70
1.00
1.60
>120~180
0.64
1.00
1.60
0.90
1.30
2.00
>180~260
0.84
1.30
2.10
1.20
1.80
2.60
>260~360
1.20
1.80
2.70
1.60
2.40
3.60
>360~500
1.60
2.40
3.40
2.20
3.20
4.80
>500
2.40
3.60
4.80
3.40
4.50
5.40
几种塑料轴承的配合间隙 mm
轴 径
聚酰胺和高冲击聚苯乙烯
聚四氟乙烯
酚醛布基层压塑料
6
0.050~0.075
0.050~0.100
0.030~0.075
12
0.075~0.100
0.100~0.200
0.040~0.085
20
0.100~0.125
0.150~0.300
0.060~0.120
25
0.125~0.150
0.200~0.375
0.080~0.150
38
0.150~0.200
0.250~0.450
0.100~0.180
50
0.200~0.250
0.300~0.525
0.130~0.240
聚甲醛轴承的配合间隙 mm
轴径
常温~60℃
常温~120℃
-45~120℃
6
0.076
0.100
0.150
13
0.100
0.200
0.250
19
0.150
0.310
0.380
25
0.200
0.380
0.510
31
0.250
0.460
0.640
38
0.310
0.530
0.710
工程用塑料零件的设计注意事项
注意事项
不好的设计
改进后的设计
壁厚应尽可能均匀一致,防止在成型过程中由于不均匀的固化与收缩,在厚壁处产生气泡和收缩变形,在急剧过渡处因收缩应力引起裂纹


零件内外表面相连及转角处应为圆角,以免产生应力集中,影响强度。在无特殊要求时,零件转角处的圆角半径应不小于0.5~1mm


避免采用整体基面作支承面,加强筋与支承面应相距0.5mm的高度,以免因加强筋而影响支承面的准确度


孔尽可能设置在不易削弱零件强度的位置。除相邻孔之间以及孔到边缘之间保留适当的距离外,尽可能使有孔部分壁厚厚一些,以防止孔眼处安装零件而破裂。由于锥形埋头螺钉头对于孔的边缘有侧向力,易使边缘发生崩裂,应避免采用


在注塑成型零件时,由于塑料流动产生的压力不平衡,使型芯变形、弯曲或折断。通常不通孔H<(3~5)d;通孔H<(8~10)d,孔径<f1.5mm时H≈(3~6)d
侧孔和侧凹的设置要简化模具结构,以便于零件的脱模,缩短生产周期,提高产品质量


合理采用加强筋可减少壁厚,节省材料,提高制件的强度和刚性,防止翘曲
加强筋的布置应考虑塑料局部集中而形成缩孔和凹形。如左图的布置,就易产生收缩和气泡


凸出部分尽量位于转角处,凸出部分的高度不应超过孔直径的两倍,并应有足够的倾斜角以便脱模。过高的凸出部分会关住气体,使这部分强度和密度减小。凸出点不宜多于3个,如超过3个,需进行机械加工


外螺纹不应延长到与支承面相连接处,以免端部螺纹脱落
为防止螺孔内最外圈的螺纹易于崩裂,应增加一个具有台阶形的空穴
同一零件的上下两段螺纹,其螺距与旋转方向应相同,否则其中一段螺纹就得用镶拼螺纹型芯、型腔成型或机加工制成,增加了模具结构与工艺的复杂性


必须考虑有足够的脱模斜度,斜度的大小与塑料的性质、收缩率、厚度、形状有关。一般推荐的脱模斜度为15~1°


零件的壁与底部的厚度应均匀或尽量平缓过渡,厚薄悬殊或突变,将引起收缩不一致,产生气泡、凹陷或变形
对于热固性塑料壁厚过渡比,模压时为1∶3,挤压时为1∶5,热塑性塑料为1∶(1.5~2)


外表面有凹凸纹的手轮或手柄等零件,应使凹凸纹的条纹与脱模方向一致,以便于简化模具和脱模


零件上的文字、符号或装饰花纹应采用凸形,以简化模具制造。如零件上不允许有凸起,或在文字、符号上需涂色时,可将凸起的文字或符号设置在凹坑内,既便于制造,又避免碰坏凸起的文字或符号


成型后分型面处的飞边应易清除。右图的分型处形状为一圆形飞边,容易清除


齿轮设计:
(1)齿形目前多采用标准齿廓,即分度圆压力角α分=20°,齿高系数f=1形式
(2)塑料齿轮的结构尺寸:
t≥3t1,t3≤t2,t4>t2,t4=d1,d2=(1.5~3)d1
设计原则是保证最小的应力集中和防止成型收缩不均匀所造成的齿形歪斜,因此在结构上应避免尖角和断面的突变,尽可能使各部分厚度相同,圆角和圆弧应大些
(3)尽量不在齿轮辐板上开孔与加筋,以防止由于各部分收缩不均而引起轮齿歪斜
(4)与轴的连接形式:可采用花键或半圆键连接。采用花键连接时,连接精度较高,键槽工作面比压较小;而采用半圆键连接时,可降低应力集中。如采用单个平键连接,当传递力矩较大时,往往在键槽处发生压溃变形或尖角开裂


合理设计塑料零件的嵌件:
图a,尽量采用不通孔或不穿的螺纹孔,这样可在设计模具时采用插入式解决嵌件的定位
图b,嵌件表面需滚花或开设沟槽时,一般小嵌件的沟槽,深为1~2mm,宽为2~3mm,转角处为圆弧,滚花为菱形;齿高1~2mm如零件受力很小时,可只采用菱形滚花,不开沟槽
图c,条件许可时,金属嵌件应凸起或凹入1.5~2mm,以保证嵌件稳定
图d,布置在凸耳或凸起部分的嵌件,应比凸耳或凸起部分长一些,以提高零件的机械强度
图e,尽量避免采用片状、细长的嵌件。当必须采用膜片、细长的嵌件时,为防止成型时塑料对嵌件冲击而造成弯曲变形,应采用销钉支承或打孔A通流
图f,螺杆嵌件的光杆部分与模具应为H8/f9配合。为防止塑料沿螺纹部分溢料,螺纹部分应留在塑料外面,如右图设计
图g,螺纹通孔嵌件高度应低于成型高度0.05mm。嵌件过高易产生变形
图h,嵌件装夹定位部分应具有H8/f9配合,以保证金属嵌件能精确地固定在模具中
图i,圆柱表或套筒形嵌件推荐结构尺寸如右图,在特殊情况下H可加大,但不得大于2D
图j,板形、片状金属嵌件可采用右图方式固定。当嵌件厚度小于0.5mm时,最好不用孔固定结构,而采用切口或折弯的方法固定
图k,金属嵌件周围的塑料不能太薄,否则塑料会因冷却收缩而破裂。右图中列出了嵌件周围塑料层的推荐尺寸



粉末冶金的特点及主要用途
粉末冶金是以金属粉末(或金属粉末与非金属粉末的混合物)作原料,经过成型和烧结,制造各种类型的金属零件和金属材料。它具有很多特点:① 利用粉末冶金方法能生产具有特殊性能的零件和材料,如能控制制品的孔隙率和孔隙大小,可生产各种多孔性的材料和多孔含油轴承,能利用金属和金属、金属和非 金属的组合效果,生产各种特殊性能的材料,如金属和非金属组成的摩擦材料等。②可制成无切削或少切削的机器零件,从而减少机加工量,提高劳动生产率。其尺 寸精度可达公差等级12~13级,必要时也可达10级,表面粗糙度Ra 的数值低于1.6μm。但粉末冶金成本高,制品的大小和形状受到一定限制。
粉末冶金材料主要用于制作机械零件、工具材料、磁性材料、电工材料、高温材料及原子能工业材料等。
粉末冶金最小壁厚 mm
最大外径
最小壁厚
10
0.80
20
1.00
30
1.50
40
1.75
50
2.15
60
2.50
粉末冶金一般烧结零件的尺寸范围
材料
最大横断面面积/cm2
宽度/mm
高度/mm
最大
最小
最大
最小
铁基
40
120
5
40
3
铜基
50
120
5
50
3
粉末冶金烧结零件尺寸公差 mm
公称尺寸
宽度
高度
尺寸公差
精 级
中 级
粗 级
精 级
中 级
粗 级
<10
±0.05
±0.10
±0.30
±0.15
±0.30
±0.70
>10~25
±0.07
±0.20
±0.50
±0.20
±0.50
±1.20
>25~63
±0.10
±0.30
±0.70
±0.40
±0.70
±1.80
>63~160
±0.15
±0.50
±1.20
注:宽度为垂直压制方向的尺寸,高度为平行压制方向的尺寸。
粉末冶金精压零件尺寸公差 mm
公称直径
尺寸公差
长度
尺寸差
≤40
+0.00
-0.025
≤40
±0.125
>40~65
+0.00
-0.04
>40~75
±0.19
>65
+0.00
-0.05
>75
±0.25
粉末冶金零件设计注意事项
1.应使压模中的粉末受到大致相等的压缩,并能顺利地从压模中取出已经模压成型的制品。在零件压制方向如有凸起或凹槽时,则粉末在压制时各部分的密实度不易一致,因此凸起或凹槽的深度以不大于零件总高度的1/5为宜,并有一定的拔模锥度

2.当由上向下压制的结构零件较长时,其中间部分和两端的粉末密实度差别也较大。所以在实际生产中,常限制其长度为直径的2.5~3.5倍,壁愈薄其长度与直径之比的倍数愈低

3.当零件的壁厚急剧变化或零件的壁厚悬殊时,零件各部的密度也相差很大,这样烧结时会引起尺寸变化和变形,应尽量避免

4.设计带有凸缘或台阶的零件,其内角应设计成圆角,以利于压制时凹模中粉末的流动和便于脱模,并可避免产生裂纹

5.尽量避免深窄的凹槽、尖角或薄边的轮廓,避免细齿滚花和细齿外形因为这些结构装粉成型都很困难

6.避免尖边、锐角和切向过渡

7.零件只能设计成压制方向平行的花纹,菱形的花纹不能成型,应避免

8.与压制方向垂直的孔(图a)、径向凹槽(图b)、内螺纹及外螺纹(图c、d)、倒锥(图e)、拐角处的退刀槽(图f)等结构难以压制成型,当需要时可在烧结后进行切削加工

9.底部凹陷的法兰(图a)、外圆中部的凸缘(图b)不能压制成型。上部凹陷的法兰(图c)为坯件,当埋头孔的面积小于压制面积的1倍左右,深度(H)小于零件全高的1/4左右时,要作5°的拔梢(图d)才可以成型

10.从模具强度和压制件强度方面的因素考虑,并从孔与外侧间的壁厚要便于装粉考虑,制品窄条部分的最小尺寸应有一定的限度

11.为了使凸模具有必要的刚度,使粉末容易充满型腔和便于从压模内取出制品,零件结构应避免尖锐的棱角,并适当增加横截面的面积

12.避免过小的公差

13.对于长度大于20mm的法兰制件,法兰直径不应超过轴套直径的1.5倍,在可能条件下,应尽量减小法兰的直径,以避免烧结后的变形。法兰根部的圆角半径可参考下表:
14.粉末冶金制件的端部最好不要有过锐棱角,并避免工具倒圆。倒角时尽可能留出0.2mm左右的小平面,以延长凸模的寿命

在设计粉末冶金齿轮时,齿根圆直径应大于轮毂直径3mm以上,以减小成型中的困难

轴套直
径/mm
<12
>12~25
>25~50
>50~65
>65
圆角半
径/mm
0.8
1.2
1.6
2.4
2.5
轴套壁厚(δ)与法兰边宽(b)都必须大于1.5mm

设计阶梯形制件时,阶差不应小于直径的1/16,其尺寸不应小于0.9mm
15.在很多情况下,粉末冶金零件适于代替机械加工比较困难或加工劳动量大、材料利用率低的一些零件。在某些情况下,还可以代替一些本来需要加工后装配在一起的部件

需要装配的零件不需装配的粉末冶金零件
16.当把铸件或锻件改为粉末冶金零件时,将粉末冶金零件上的凸部移到与其相配合的零件上,以简化模具结构和减少制造上的困难

用模锻或铸造,然后用
机械加工法制造
用粉末冶金法制造
