机床上的防错设计
机械加工作为设备制造的源头,防错技术的应用非常重要。
在作业过程中,作业者不时会因疏漏或遗忘而发生作业失误,因此所导致的生产中的问题很多,如果能够用防错法防止此类失误的发生,则产品品质水平和作业效率必会大幅提高。防错是指在过程失误发生之前即加以防止,是一种在作业过程中采用自动作用、报警、标识及分类等手段,使作业人员不特别注意也不会失误的方法。
本文针对机床上料过程中原材料超长的问题, 巧妙设计出防错装置, 从源头杜绝事故的发生,保障员工的作业安全,达到了运用避免产生错误的限制方法,让操作者不需要花费注意力,也不需要经验与专业知识即可完成正确操作的目的。
1. 防错目的
数控车床是一种高精度、高效率的自动化机床,是目前机械加工过程中最常使用的设备,而在原材料为棒料的加工过程中,自动送料机的应用实现了零件的连续循环加工,增强了零件加工的自动化程度, 提高了加工效率。自动送料机和数控车床的布局如图1所示。

图1 自动送料机和数控车床的布局
在原材料为棒料的上料过程中,由于数控车床主轴的长度是有限的,禁止使用超过长度限制的棒料,即防止棒料超出机床主轴防护罩的后端面,否则在加工过程中高速旋转的棒料会产生严重的安全隐患,为此,机床主轴后端面位置会标有相关安全警示。
在实际生产中,对原材料长度的限制是通过工艺文件中的尺寸要求来实现的,但如果操作人员不按要求操作,仍然能够将超过长度要求的原材料放入到机床主轴中,这样就会产生严重的安全事故。某零件的原材料为长度限制为900mm的棒料,而员工将长度为1 200mm的棒料放入数控车床主轴中,造成棒料的后端与自动送料机接触,加工过程中,棒料高速旋转并与自动送料机发生碰撞,棒料逐步迅速弯曲并击碎机床主轴尾部相关附件,撞击中产生的巨大振动造成线路板松动,机床报警后方才停机,事故现场如图2所示。

图2 棒料超长引发的事故现场
此次事故造成的损失比较严重,相关原材料、机床附件的损失近万元。更重要的是,虽然本次事故未造成人员伤害,但为安全敲响了警钟。事故的发生证明原有的警示方式不能完全起到防错作用,只有设计、安装专用的防错装置,才是杜绝此类事故发生的唯一方法。
2. 防错措施
经过观察不难发现,根据操作人员习惯的不同,有两种上料方式:①将棒料放入送料机2m宽的料架,通过手柄操作送料机,将棒料进一步送入车床主轴,即料架上料方式。②将棒料由车床主轴前端直接插入到主轴,即主轴上料方式。不论是哪种方式,设备本身均不能阻止超长棒料的放入。根据上料方式的不同,需要设计相对应的防错装置。
(1)针对料架上料的防错措施。 对于料架上料方式,不难想出,设置合适的限长杆即可,超长棒料将不能通过送料机料架进行上料,安装限长杆的送料机如图3所示。
图3 送料机安装限长杆
(2)针对主轴上料的防错措施。对于主轴上料方式,由于棒料和送料机顶料杆动作的空间几乎相同,防错装置如何进行区分是设计的难点。为了便于分析,不妨在防错装置的设计原理上,将防错方法分为电气防错和机械防错两种,两种防错方法对比如附表所示。
防错方法对比表

从两种防错方法对比上来看,鉴于机械防错的可靠性高,优先按此原理设计防错装置。
在具体功能方面,所设计的防错装置要实现如下两个方面的功能:①当棒料超长时,防错装置能够阻止棒料的放入。②当送料机顶料杆顶住棒料进行送料动作时,防错装置不能妨碍顶料杆的动作,即顶料杆能够顺利地进行向前顶料和缩回的动作。
由分析可知,可以仿照单向阀的工作原理来设计防错装置,该防错装置结构如图4所示。
图4 防错装置结构
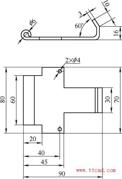
限长板是防错装置的关键部件,既要有一定的强度,又要实现有合适的弯折角度,这样才能保障限长功能的可靠性。限长板的设计尺寸如图5所示。
图5 限长板尺寸
需要注意的是,由于重力的作用,送料机顶料杆伸出后的顶料过程中会向下弯曲,而防错装置的限长板会有径向力作用于顶料杆上。为了减轻顶料杆的弯曲程度,在防错装置安装时,要保证限长板作用到顶料杆的径向力方向上。
在防错装置的使用过程中,限长板在弹簧的拉力作用下,会保持在截止位置,防止超长的棒料从前向后通过,同时限长板合理的弯曲角度设计,又保证了顶料杆伸出顶料和缩回动作的顺利进行,该防错装置的工作情况如图6所示。

(a)超长棒料被限制通过

(b)顶料杆顺利通过
图6 防错装置的工作情况
另外,该防错装置的易损件为弹簧,弹簧一旦失效,限长板不能保持在限位位置,防错装置也将不能起到防错作用。为了避免这种情况发生,在防错装置两侧设置了两个弹簧,同时每半年将对弹簧进行一次更换,这样有效降低了防错装置失效的风险。
3. 结语
设计人员应及时掌握防错技术,并在工作实践中创造出好的实施方法。
现场操作者要加强责任心,正确理解相关防错装置设计的工作原理,发现疑点及时向有关人员反映,不可忽视甚至盲目拆除防错装置,避免重大质量安全事故的发生。
企业管理者应重视推广防错技术在产品制造全过程的应用,减少质量问题,消除安全隐患,实现企业发展目标。只有主动地防错,系统地、综合地运用各种防错技术,才能真正提高防错的效果。
作者:北京远东仪表有限公司 董志敏 白兰萍
本文发表于《金属加工(冷加工)》2016年第14期第44-46页,版权归金属加工杂志社所有
