机械设计教程-12轮系
第一讲 一、教学目标 (一)能力目标 能计算定轴轮系的传动比及齿轮的转速,并会判断其转向 (二)知识目标 1.了解轮系的类型 2.掌握定轴轮系传动比的计算及转向判断 二、教学内容 1.轮系的功用和分类
2.定轴轮系的传动比 三、教学的重点与难点 重点:定轴轮系传动比的计算。 难点:定轴轮系的转向判别。 四、教学方法与手段 采用多媒体教学(加动画演示),讲授时联系实际,便于学生接受。 12.1 定轴轮系及其传动比计算 轮系:用一系列互相啮合的齿轮将主动轴和从动轴连接起来,这种多齿轮的传动装置称为轮系。 功用:获得多种转速;实现较远轴之间的运动和动力的传递;获得较大的传动比;实现运动的合成与分解。 
平面定轴轮系 空间定轴轮系 分类:按轮系中各齿轮轴线是否相互平行,可分为平面齿轮系和空间齿轮系;按轮系运转时齿轮的轴线是否固定,又可分为定轴轮系和行星轮系。 在运转过程中,各轮几何轴线的位置相对于机架是固定不动的轮系称为定轴轮系。定轴轮系又可分为平面定轴轮系和空间定轴轮系。 12.1.1平面定轴轮系传动比的计算 若A——输入轴 B——输出轴,则轮系传动比为
一对外啮合圆柱齿轮传动比i12=n1/n2=-z2/z1 一对内啮合圆柱齿轮传动比i12=n1/n2=+z2/z1 圆锥齿轮传动比i12=n1/n2=z2/z1,转向用箭头标注法。 ![]()
![]()
![]()
![]()
![]()
![]()
![]()
4——惰轮:不改变传动比的大小,但改变轮系的转向 结论:平面定轴轮系传动比等于组成轮系的各对齿轮传动比的连乘积,也等于从动轮齿数的连乘积与主动轮齿数连乘积之比。首末两轮的转向,取决于齿轮系中外啮合齿轮的对数。 通式:
m——外啮合的次数 12.1.2空间定轴轮系传动比的计算
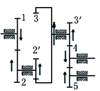
转向关系用箭头表示 例12.1 图中,设蜗杆1为右旋,转向如图所示,
,
,
,
,
,
,
,
。若蜗杆转速
,求内齿轮5的转速
和转向。
• 解:轮系传动比的大小
• 所以:
蜗杆轴的转向n1是给定的,按传动系统路线依次用箭头标出各级传动的转向,最后获得
的转向。 小结: 1、轮系的类型。 2、定轴轮系传动比的计算及转向判断。 作业与思考: 1、什么是惰轮?它在轮系中起什么作用? 2、在定轴轮系中,如何来确定首、末两轮转向间的关系? 3、定轴轮系与行星轮系的主要区别是什么? 4、轮系中各齿轮的转向如何确定?
